Loading...
155/70 Moo 1, Nongkham, Sriracha, Chonburi 20230
+66 033-000-133

ผลิต-ซ่อม กระบอกลมนิวเมติก-ไฮดรอลิค

บริการรับผลิตกระบอกลมนิวเมติก-ไฮดรอลิค ตามแบบลูกค้า โดยทีมช่างผู้ชำนาญการผลิต

รับซ่อม - เปลี่ยนซีล โอริง และอะไหล่ ลูกสูบกระบอก พร้อมตรวจเช็คการสึกหรอของเสื้อสูบ-แกนกระบอก เพื่อให้อายุการใช้งานยืดยาวขึ้น


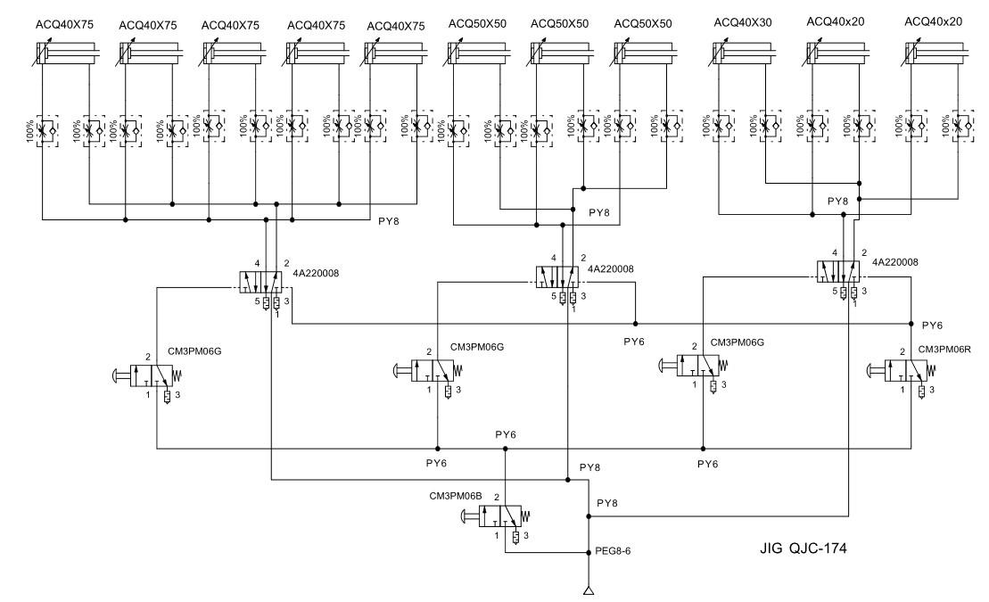
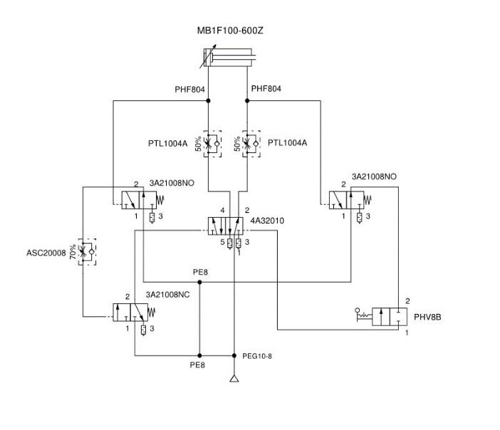
ออกแบบวงจรระบบนิวเมติก

ทางเรามีทีมงานวิศวกรบริการการออกแบบระบบนิวเมติก คำนวณความเร็ว-น้ำหนักให้กับทางลูกค้าก่อนการสั่งสินค้า เพื่อให้อุปกรณ์ที่นำไปใช้งานมีประสิทธิภาพสูงสุด


งานติดตั้งระบบ

บริการติดตั้ง-ออกแบบตู้วงจรนิวเมติก โดยทีมงานวิศวกรคุณภาพ


Why Choose Us

ทำไมต้องเลือกเรา

จำหน่าย

ผู้ผลิต นำเข้า จัดจำหน่าย อุปกรณ์นิวเมติกส์ (Pneumatic) อุปกรณ์ไฮดรอลิก (Hydraulic) คุณภาพทุกชนิด

ทีมผู้เชี่ยวชาญ

เรามีทีมผู้เชี่ยวชาญเรื่องระบบไฮดรอลิก นิวเมติกส์ พร้อมให้คำปรึกษา

การบริการ

การให้บริการที่รวดเร็วเพื่อตอบสนองความต้องการของลูกค้า